ARD-120/4P 浪涌防雷器
閱讀次數:1976 發布時間:2020-08-20

簡介
電涌保護器(簡稱 SPD),ARD-120電涌保護器適用于交流 50/60Hz,額定電壓 400V以下的供電系統中,用于第二級電源設備的保護。適應于工業、建筑、民航、金融、證券、數據中心、電信、機房、港口、軌道等系統的電源防護及信號防護,防護外界(雷擊、電磁輻射干擾等)或系統內部(系統拉合閘效應、感應及容性負載的啟動和停止等)引起的電涌脈沖及瞬間過電壓對設備的損壞。
執行標準
GB/T18802.1-2011 低壓電涌保護器(SPD) 第1部分 低壓配電系統的保護器性能要求和試驗方法
IEC 61643-11:2011 低壓配電系統的浪涌保護裝置 第11部分:性能要求和試驗方法
TB/T2311-2017 鐵路通信、信號、電力電子系統防雷設備
產品特點
8/20μS雷電流通能力,最大放電電流至120kA
響應時間≤25nS
內置失效脫扣裝置,使用更安全
模塊化設計,便于安裝維護
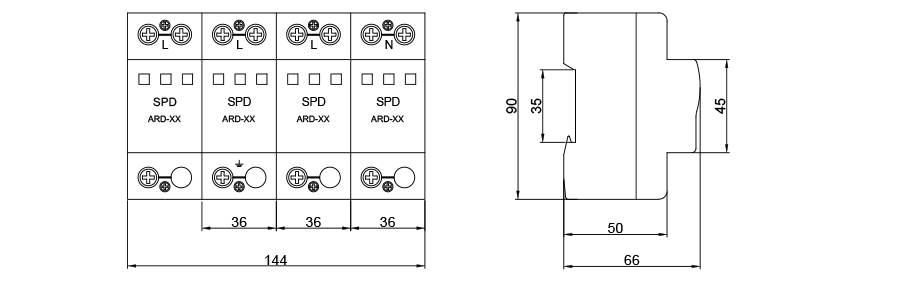
產品規格
產品型號 | ARD-120 |
最大持續運行電壓Uc | 350V |
測試波形 | 8/20μs |
最大放電電流Imax | 120kA |
標稱放電電流In | 60kA |
電壓保護水平Up | 2.5kV |
響應時間 | ≤25ns |
工作環境 | -40℃~85℃ |
外殼材質 | 阻燃PBT |
安裝方式 | 35mm標準導軌 |
產品尺寸





