CPA-40/4P 防雷器 CPA-20/4P 浪涌保護器
閱讀次數:1725 發布時間:2020-09-09

CPA-40/4P型電源模塊浪涌保護器具有殘壓低、響應速度快、CPA-20/4P通流容量大,產品壽命長、CPA-40/4P維護簡單、安裝方便!十五年防雷經驗,技術可靠, CPA-80/4P避雷器,應用范圍廣, CPA-20/4P價格合理,產品精良,性能優越!
插撥式電涌保護器
產品介紹
該系列適用于建筑物低壓主、分配電箱中,并聯在供電系統的電源線上,對電源第I級、第亞級、第IV級的 雷擊或操作引起的過電壓進行保護(依據IEC61643-1和GB50343標準選用)。
產品特點
※標準35mm DIN導軌式安裝
※插撥技術,可以帶電更換,易于維護
※雙重熱脫扣裝置,提供可靠保護
※具有指示窗口,變紅色表示故障,提示更換,清晰直觀
※可配告警通信端子,便于遠程監控
※工藝考究,能在惡劣環境下長期工作
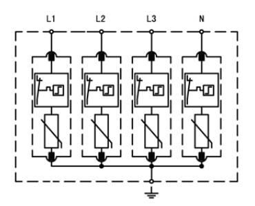
產品接線圖/原理圖

產品參數:
型 號 | CPA-40/4P | CPA-40/2P | CPA-20/4P | CPA-20/2P |
額定工作電壓Un | 220/380V | 220/380V | 220/380V | 220/380V |
最大持續運行電壓Uc | 385V | 385V | 385V | 385V |
標稱放電電流In(8/20μs) | 20kA | 20kA | 10kA | 10kA |
最大放電電流Imax(8/20μs) | 40kA | 40kA | 20kA | 20kA |
雷電沖擊電流Iimp(10/350μs) | / | / | / | / |
電壓保護水平Up | s1.5kV | s1.5kV | ≤1.3kV | ≤1.3kV |
漏電流Ic | <20μA(靜態) | |||
響應時間ta | ≤25ns | |||
浪涌計數器 | 可選配 | |||
內置熔斷器 | 無 | |||
劣化指示功能 | 有(劣化以后綠色變紅色) | |||
運行故障報警遙性觸點 | 可選配(帶后綴"/S"型號)! | |||
保護備份功能 | 無 | |||
劣化熱脫離功能 | 有 | |||
最大后備保護熔絲 | 125AgI/gG | 125AgI/gG | 125AgI/gG | 125AgI/gG |
斷路器配置 | 20A(50Hz) | 20A(50Hz) | 20A(50Hz) | 20A(50Hz) |
工作溫度范圍 | -40--+70°C | |||
連接導線截面積 | 10-35mm2 | |||
安裝方式 | 35mmDIN導軌 | |||
外殼材料 | 增強阻燃塑料 | |||
防護等級 | IP20 | |||
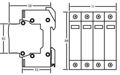
外形尺寸(長x寬x高) | 72x88x58mm | 36x88x58mm | 72x88x58mm | 36x88x58mm |
注:最大持續運行電壓可根據客戶要求提供,如選擇440V ,型號后注:-440V
相關產品型號:CPA-100/4P , CPA-80/4P , CPA-60/4P , CPA-40/4P , CPA-20/4P




