過電壓保護器TDXD34
閱讀次數:1544 發布時間:2020-09-09
TDXD34系列過電壓保護器反應速度快,插拔防呆設計,TDXD34“以客戶為中心”的服務理念,積極響應客戶需求,TDXD34推動電氣行業快速發展,贏得新的未來!

TDXD系列相關型號
TDXD34、TDXD55、TDXD51、TDXD56、TDXD57、TDXD58、TDXDG33、TDXDG34、TDXDG57、TDXDG58
技術參數:
TDXD34、TDXDG34(G:固定式)
最大持續工作電壓Uc : 320V~/50Hz
最大沖擊電流limp ( 10/350μs ) :15kA
電壓保護水平Up : 2.0kV
短路耐受能力: 300A
絕緣電阻Riso : > 100MN 允許最大后備保護熔斷器最大推薦值:200AgL/gG
端子接線能力:硬導線0.5~35mm2
軟導線0.5~25mm2
選型原則
●持久施加在電涌保護器兩接線端子間的電壓應不大于電涌保護器的最大持續工作電壓Uc值;
●電涌保護器的電壓保護水平Up應小于被保護設備的耐壓沖擊極限;
●根據不同的接地系統和保護模式選擇相應的規格。
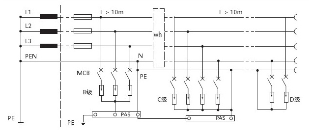
接線圖


安裝注意事項
● 安裝前必須切斷電源,嚴禁帶電操作。
● 建議在防雷模塊前端串聯熔斷器自動斷路器。
● 安裝時請根據安裝示意圖所示連接,其中L1、L2、L3為相線,N為零線,PE為地線,切勿錯接。安裝完成后,合上自動斷路器(熔斷器)開關,檢查工作狀態是否正常。
● 安裝完畢后將模塊插到位,檢查防雷模塊是否正常工作。
● 防雷模塊在使用過程中,應定期檢查故障顯示窗的狀態。當故障顯示窗為紅色,遠程信號終端輸出報警信號時,表示防雷模塊有故障,應及時維修更換。
● 并聯電源防雷模塊應并聯安裝(可采用凱文接線方式)。單寬36mm的模塊可采用雙接線方式連接。一般來說,只需要兩個終端中的一個。連接線應牢固可靠,短、粗、粗。




